제품군

OD5000 시리즈

작성자 10page 날짜 2023-02-02 12:58:53
측정 범위: 14 mm ... 190 mm (모델에 따라 다름) 반복성: 0.01 µm ... 0.2 µm 정확도: ± 1 µm ... ±32 µm 통신 인터페이스: Ethernet 아날로그 출력 유형: 전류 출력 디지털 출력: 1 ... 3 x PNP/NPN, 선택 가능 연결 방식: 수 커넥터 포함 케이블, M12, 8핀, A 부호화, 50 cm
기술사양
모델명 측정범위 반복정밀도 정확도 광점 크기 인터페이스
OD5000-C15W01 14 ... 16 mm 0.01 µm ± 1 µm 30 x 1,000 µm Ethernet
OD5000-C15T01 ± 1 µm Ø 30 µm
OD5000-C30W05 25 ... 35 mm 0.05 µm ±1.5 µm 30 x 1,000 µm Ethernet
OD5000-C30T05 ±3 µm Ø 30 µm
OD5000-C85W20 65 ... 105 mm 0.1 µm ±7.2 … ±12µm 70 x 2,000 µm Ethernet
OD5000-C85T20 ± 6 µm Ø 70 µm
OD5000-C150W40 110 ... 190 mm  0.2 µm ±24 … ±32µm 120 x 4,000 µm Ethernet
OD5000-C150T40 ±12 µm Ø 120 µm
   
광 원 레이저,적색
레이저파장 655nm
동작전원 12...24V DC
보호등급 IP67
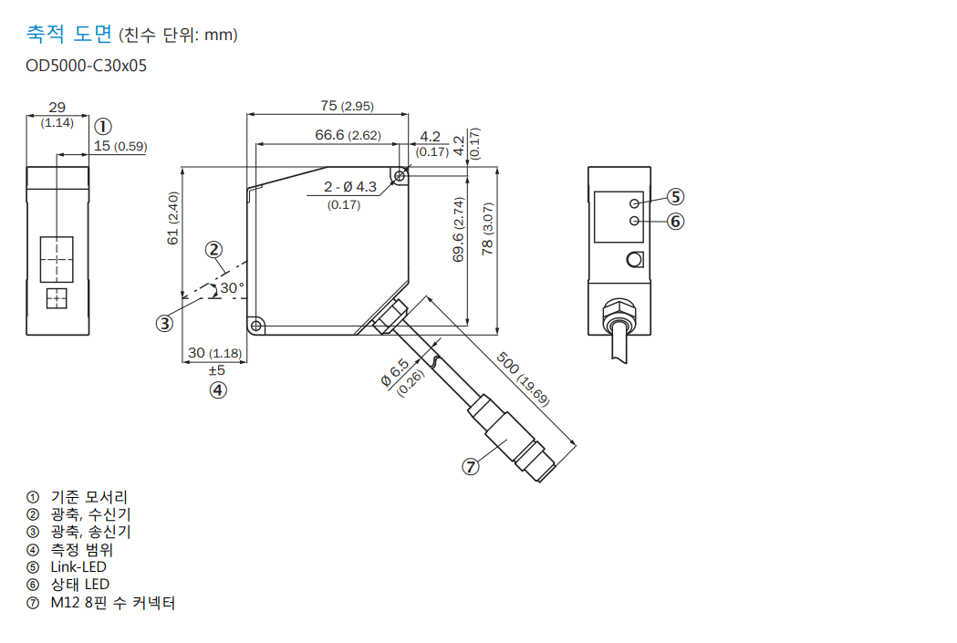
치 수 매뉴얼 참조

 

동영상

액세서리